找回密码
 立即注册

使用微信账号登录

只需一步,快速开始

搜索附件  

image.webp

 

CS5653 + FS312:音响充电优选,50W充电解决方案:
本帖最后由 xxltyzka 于 2025-10-27 11:03 编辑

在便携式电源站、无绳电动工具等设备的 50W 级高功率充电设计中,开发者常面临电压适配难、高功率安全防护不足的痛点—— CS5653 双向升降压充放电控制器,恰好提供针对性解决方案。
该芯片支持 3.8V~32V 宽输入输出电压,可适配 1~6 节锂离子、1~8 节磷酸铁锂电池,通过升降压模式轻松匹配 20V2.5A 50W 充电档位,还能通过外置电阻设定最大 5.5A 充电电流,满足功率需求。同时内置 10 ADC 实时监测电压电流,集成输入欠压、IC 过温、NTC 电池温度保护等功能,避免高功率工况下的安全风险。
CS5653的基础信息
1 典型应用图

2 引脚排列及定义
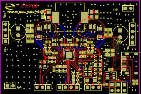
3 DEMO
方案详情
首先是MOS选择,我们推荐使用AGM414AGM6144节锂电池以内的时候使用414, 6节使用的时候使用614。用这种N+NMOS,可以外5653外面的4MOS变成两个MOS封装,节省面积,还省钱。记住用15毫欧以内的MOSCISS越小越好
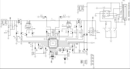
之后可以外挂协议来使得IC可以快充申请。这里选择FS312CS5653+FS312的线路图如下:
四节锂电池充电演示:
六节锂电池充电演示:
详细的信息随时联系获取!!!

image.webp
         同一主题附件:
    image.webp
    image.webp
    image.webp
    image.webp
    image.webp
    image.webp
    image.webp
    image.webp
    image.webp
    image.webp
    image.webp

小黑屋|手机版|我爱蓝牙网 - 52Bluetooth

GMT+8, 2025-12-13 23:53 , Processed in 0.461172 second(s), 11 queries , Gzip On, MemCached On.

Powered by Discuz! X3.5

© 2001-2025 Discuz! Team.

返回顶部