找回密码
 立即注册

使用微信账号登录

只需一步,快速开始

搜索附件  
我爱蓝牙网 - 52Bluetooth - 最具人气蓝牙技术交流网站 附件中心 信息交流区 采购与供应 a7d35405ef9920a2b6421a93e29416d7_160056qr4fra7aaj4a97yq.webp

a7d35405ef9920a2b6421a93e29416d7_160056qr4fra7aaj4a97yq.webp

 

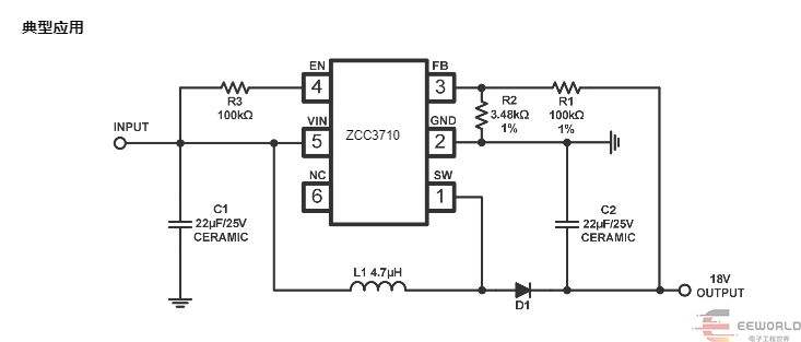
(至诚微ZCC3710)高效1.2MHz,28V输出,2A升压芯片,代替MT3608:
本帖最后由 jarno 于 2025-11-18 17:07 编辑

ZCC3710是一款专为小型低功耗应用设计的恒频电流模式升压转换器。该器件以1.2MHz频率工作,可采用高度不超过2毫米的微型低成本电容和电感。
其内置软启动功能可有效抑制浪涌电流,从而延长电池使用寿命。
ZCC3710具有欠压锁定、限流和过热保护功能,可防止输出过载时的损坏。





产品特性
> 2V至24V输入电压
> 最高28V输出电压
> 集成式 80mΩ 功率MOSFET
> 1.2MHz固定开关频率
> 内部 4A 开关电流限值
> 内部补偿
> 热停机>输出可调,范围为0.6V
> 采用6引脚SOT-23封装




应用领域
▲数字机顶盒(STB)
平板电脑(Pad)
LCD偏置电源
电池供电设备
便携式媒体播放器(PMP)



﹏﹏﹏﹏﹏﹏﹏﹏﹋﹋﹋﹋﹋﹋﹋﹏﹏﹏﹏﹏﹏﹏﹏
可为终端客户提供样品测试 以及相关技术咨询。
如需其他升降压DC-DC系列芯片、欢迎联系咨询。
吴先生:19928734273【V同步】

a7d35405ef9920a2b6421a93e29416d7_160056qr4fra7aaj4a97yq.webp

小黑屋|手机版|我爱蓝牙网 - 52Bluetooth

GMT+8, 2025-12-16 12:12 , Processed in 0.054363 second(s), 11 queries , Gzip On, MemCached On.

Powered by Discuz! X3.5

© 2001-2025 Discuz! Team.

返回顶部