找回密码
 立即注册

使用微信账号登录

只需一步,快速开始

搜索附件  

image.webp

 

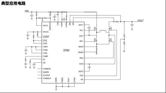
3790:60V 同步,四开关,升降压,电压电流调节DCDC控制器:
3790 是一款同步四开关升降压控制器,输入电压覆盖 4.7~60V,支持输入电压高于、低于或等于输出电压工作,单颗芯片可实现 100W 功率输出,多颗并联还能拓展更大功率,适用于汽车电子、工业电子、电信基础设施及大功率供电系统等场景。采用 QFN405×5mm)封装,底部带裸露散热焊盘,需通过多热过孔连接 PCB 接地层,兼顾小型化布局与高效散热,所有端口具备 ±2000VHBMESD 防护,结温工作范围 - 40~+125℃,可靠性适配宽温工业环境。
芯片支持 200KHz~700KHz 可调开关频率(通过 RT 引脚外接电阻设置,147K 对应 200KHz59K 对应 400KHz29.1K 对应 700KHz),也可通过 SYNC 引脚与外部时钟同步(100KHz~1MHz);具备恒压 / 恒流双调节功能,FB 引脚基准电压 1.2V,输出电压通过分压电阻调节(公式:V_OUT=1.2×(R5+R6)/R6),CTRL 引脚可线性控制输出电流(0~1.1V 线性范围)。此外,还集成输入 / 输出电流监测(IVINMON/ISMON 引脚)、C/10 充电终止、SHORT 输出短路指示等状态反馈功能,以及可配置输入欠压 / 过压保护、软启动(SS 引脚外接电容调节)、热关断保护(150℃触发,25℃滞回),防止启动过冲与过载损坏。
外围器件选型方面,功率电感推荐 20%~40% 纹波电流(降压 / 升压模式均有明确计算公式),输入输出电容优先选择低 ESR 陶瓷电容(大功率场景可并联固态电容),采样电阻需根据负载电流留有 20%~30% 裕度,整体设计适配工业级电源的高稳定性与高效率需求。
3790的特性
单电感结构且允许VIN高于、低于或等于VOUT
宽输入电压范围:4.7V60V
转换效率高达98%
支持配置开关频率,范围:200KHz-700KHz
支持可配置软启动时间,抑制电压过冲
支持精确VIN欠压、过压点配置
具有输入、输出监测引脚和各种状态指示
支持输入和输出电流、电压调节
降压或升压时没有高侧功率管刷新和开启
VOUT在无输出状态下与VIN完全断开
C/10充电终止和SHORT输出短路标志
每单路芯片支持100W功率输出
支持多颗芯片并联获取更大输出功率
采用QFN40(5X5)封装
3790的应用信息
1 典型应用图
2 引脚排列及定义
3 基础参数

image.webp
         同一主题附件:
    image.webp
    image.webp
    image.webp
    image.webp
    image.webp
    image.webp
    image.webp
    image.webp

小黑屋|手机版|我爱蓝牙网 - 52Bluetooth

GMT+8, 2025-12-14 00:17 , Processed in 0.132825 second(s), 11 queries , Gzip On, MemCached On.

Powered by Discuz! X3.5

© 2001-2025 Discuz! Team.

返回顶部