马上注册,享用更多功能,让你轻松玩转社区。
您需要 登录 才可以下载或查看,没有账号?立即注册 
×
1. Introduction
Boomtech Semiconductors Co., Ltd the pioneer of the Bluetooth 4.0 class 2 modules
BT1207 which is a high performance, cost effective, low power and compact solution.
The Bluetooth class 2 module provides a complete 2.4GHz Bluetooth system
based on CSR BC8 chip which is a single-chip radio and baseband IC for Bluetooth
2.4GHz systems including basic rate, EDR to 3Mbps and Bluetooth low energy
2. Key Features
• Fully Qualified Single-chip Bluetooth® v4.0 System
• Bluetooth Class2 operation (up to 10 meters range).
•-92dBm (typical) π/4 DQPSK receiver sensitivity
and -82dBm (typical) 8DPSK receiver sensitivity
• CSR's latest CVC technology for narrowband and
wideband voice connections including wind noise reduction
•Wideband speech supported by HFP v1.6 profile and mSBC codec
•Voice recognition support for answering a call,enables true hands-free use
• Multipoint HFP connection to 2 phones for voice
• Multipoint A2DP connection enables a headset(A2DP) connection to 2 A2DP
source devices for music playback
• Audio interfaces: I²S and PCM
• aptX, SBC, MP3 and AAC decoder support
• Wired audio support (USB)
•USB 2.0 (full-speed) interface for audio and charger enumeration
• Support for smartphone/tablet applications
• 5-band fully configurable EQ
•Audio codec with 2 high-quality dedicated ADC
Supported sample rates of 8, 11.025, 16, 22.05, 32,44.1, 48 and 96kHz (DAC only)
•High-quality audio 95.6 dB SNR on DAC playback
■Bluetooth low energy
• Dual-mode Bluetooth low energy radio
• Support for Bluetooth basic rate / EDR and low energy connections
• 3 Bluetooth low energy connections at the same time as basic rate A2DP
• Slim module with 23mm x 12mm x 2.0mm
• RoHS Compliant
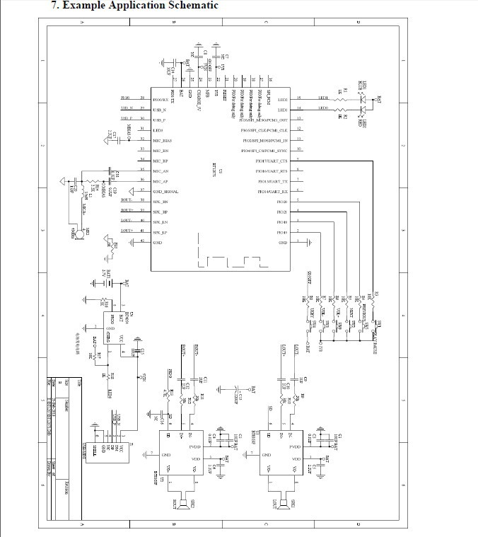
3. Applications
• Low-cost speakerphones and car-kits
• Automotive Hands-Free Kits
•Wired stereo headsets and headphones
• High Performance Telephony Headsets
• Portable stereo speakers

深圳市爱威派电子有限公司创立于2004年,创立至今,始终致力于研发、设计和销售高品质的消费类集成电路产品,为全球消费者提供广泛的音视频应用体验,让人们充分享受由科技带来的听觉和视觉冲击。随着公司经营范围及规模的逐渐扩大,为更有效提升公司经营管理,深圳百泰实业于2009年度重新整合,确定以产品线分类划分三大事业群,即半导体事业部、数码事业部及视频事业部。产品事业部的划分,更专注与有效的促进了各产品线的精益品质和核心技术发展。 深圳市爱威派电子有限公司一直专注于消费类集成电路产品的推广和应用。公司以强大的设计研发能力和精诚服务为客户提供最优的系统解决方案。公司目前主业包括:音响蓝牙模块系列产品、音频解码模组系列产品、Soundbar功放模块系列产品、2.4G无线模块系列产品、Ipod/Iphone应用系列产品、微投系列产品、功放IC系列产品以及开关电源系列产品。产品广泛应用于数码类产品、消费类影音电子、家用电器、通讯和存储产品等。爱威派为客户提供全方位的服务:硬件设计、软件开发、样机调试及批量生产,以及快速响应的技术支持和售后品质保障服务。
如果您有功放IC、蓝牙模块、音频解码模组、苹果周边设备方案解决及其他软件方案解决需要话,请与我们联系,我们会为您提供样板和报价。谢谢!
移动电话: 18898795323 李爽
|